-
Mô tả
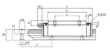
Thanh trượt dẫn đường tuyến tính THK của Nhật Bản HSR20R thuộc đường ray dẫn hướng tiêu chuẩn thế giới, chiều cao kết hợp là 30 và lỗ gắn đối xứng của thanh trượt là 32 * 36. Các khuôn mặt cuối cùng của đường ray hướng dẫn được nghiền và đánh dấu bằng các con số. Miễn là kết thúc phải đối mặt với cùng một số được kết nối, một đường sắt hướng dẫn dài có thể thu được.


|
Mô hình số |
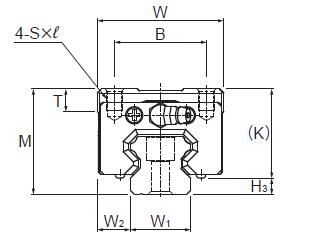
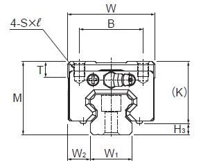
Kích thước bên ngoài |
Kích thước khối LM |
Lỗ thí điểm cho |
H3 (Bằng cấp 3) |
||||||||||||
|
Chiều cao |
Chiều rộng |
Chiều dài |
B |
C |
SxL |
L1 (bằng 1) |
T |
K |
N |
E |
Núm vú mỡ |
E0 |
F0 |
D0 |
||
|
M |
W |
L |
||||||||||||||
|
HSR20R (HSR20R) |
30 |
44 |
74 |
32 |
36 |
M5X6 (M5X6) |
50.8 |
8 |
26 |
5 |
12 |
Máy bay B-M6F |
3.1 |
3.4 |
3 |
|
|
Mô hình số |
Kích thước đường sắt LM |
Xếp hạng tải cơ bản |
||||||
|
Chiều rộng W1 |
Phòng W2 |
Chiều cao |
Sân |
d1×d2×h |
Chiều dài |
C |
Co |
|
|
±0,05 |
M1 (M1) |
F |
Max |
Kn |
Kn |
|||
|
HSR20R (HSR20R) |
20 |
12 |
8 |
60 |
6×9.5×8.5 |
3000 |
19.8 |
27.4 |
|
HSR20RM (HSR20RM) |
||||||||
|
ô hình số |
Thời điểm tĩnh cho phép kN-m |
Mass |
|||||
|
Ma |
Mb |
Mc |
|||||
|
1 khối |
Đôi |
1 khối |
Đôi |
1 khối |
Khối LM |
Đường sắt LM |
|
|
Kg |
kg/m |
||||||
|
HSR20R (HSR20R) |
0.218 |
1.2 |
0.218 |
1.2 |
0.235 |
0.25 |
2.3 |
|
HSR20RM (HSR20RM) |
|||||||
